大负载专用凸轮分度器
山东威尔凯姆是一家专业的凸轮分度器厂家,生产大负载专用凸轮分度器,DF凸缘型,DS心轴型,DT平台桌面型,间歇分割器,凸轮分度器等,加工一些特异形凸轮满足用户需求。免费提供凸轮分度器选型计算。
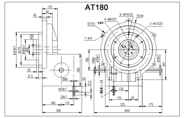
AT大负载专用凸轮分度器此系列机种内含二片固定在入力轴的板形凸轮以及随凸轮传动的滚子转塔出力轴。此系列凸轮分割器有平行共轨凸轮的机构设计,借由接合于入力轴上的二片板形凸轮转动而传动滚子转塔旋转而达成出力轴分度的功能,适合供节距较大的输送带传动,或用于停留时间较长的间歇分度。另有三片式重负荷型式,更适合一些快速且长节距的输送,并且停留时间更长。平行型凸轮分割器一般用于链轮传动或皮带传动的流水线上,它的自身特点是承重负荷较大,精度相对于圆盘式的其它类别略低,应用的实例比如模切机、一些大型的组装流水线等。 山东威尔凯姆为您的自动化控制提供合理的解决方案,包括驱动方案的设置,普通电机、步进、伺服的选择,如果不能满足您的要求,我们将会设计和构建符合您的规格和要求。



上一条:没有了!
下一条:没有了!
下一条:没有了!
推荐产品
推荐新闻
- 凸轮分割器定位不准怎么处理2022-11-08
- 客户购买凸轮分割器担心什么问题2022-11-08
- 凸轮分割器转停的控制是如何完成2022-11-08
- 凸轮分割器凸轮滚子断掉的处理办法2022-11-08
- 凸轮分割器的正确使用及过载保护系统2022-11-08








