平台桌面型凸轮分割器
山东威尔凯姆凸轮分割器厂家专业生产平台桌面型,间歇分割器,凸轮分度器等,加工一些特异形凸轮满足用户需求,免费提供凸轮分割器选型计算。
详细内容:平台桌面型【DT】凸轮分割器
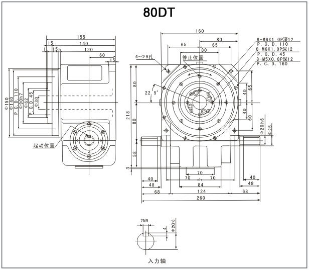
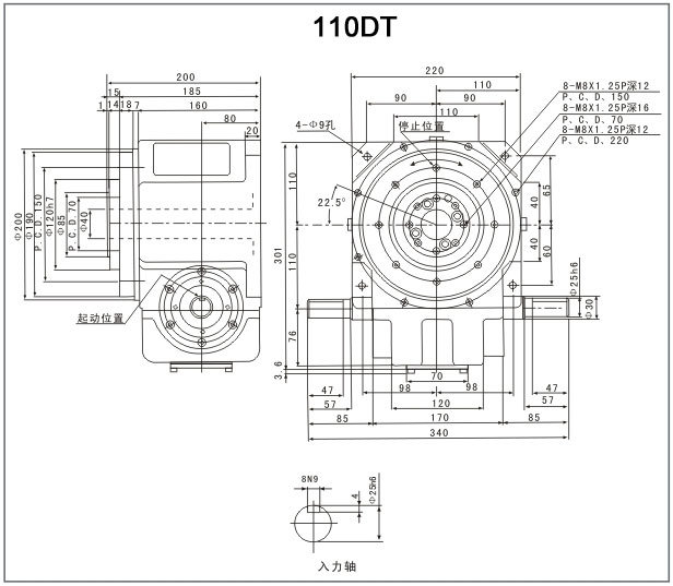
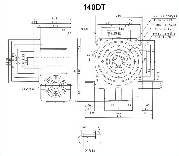
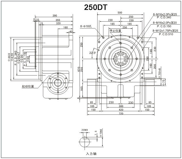
80DT、110DT、140DT、180DT、250DT、350DT
DT平台桌面型凸轮分割器此系列机种的尺寸设计特性与法兰型功能相似,于驱动运转上可承受超大轴向负载及垂直径向压力,在输出端有一凸起固定盘面及大孔径空心轴,可将动力源的电、油、气管路置于空心孔内,此系列机种广泛应用于重负载、直结自动化设备的各类机械及产业机械,作同步自动化间歇驱动。DT平台桌面型分割器_法兰面间歇输出的特点,使得该种类型的机械特点在重负荷,大扭矩,高精度的自动化领域中占一定地位,对于精度要求较高,而且能够适应大直径圆盘,运转过程中,即使是速度较快,也能够保证一定的精度要求。山东威尔凯姆为您的自动化控制提供合理的解决方案,包括驱动方案的设置,普通电机、步进、伺服的选择,如果不能满足您的要求,我们将会设计和构建符合您的规格和要求。此系列机种的尺寸设计特性与法兰型功能相似,于驱动运转上可承受超大轴向负载及垂直径向压力,在输出端有一凸起固定盘面及大孔径空心轴,可将动力源的电、油、气管路置于空心孔内,此系列机种广泛应用于重负载、直结自动化设备的各类机械及产业机械,作同步自动化间歇驱动。






推荐产品
推荐新闻
- 凸轮分割器定位不准怎么处理2022-11-08
- 客户购买凸轮分割器担心什么问题2022-11-08
- 凸轮分割器转停的控制是如何完成2022-11-08
- 凸轮分割器凸轮滚子断掉的处理办法2022-11-08
- 凸轮分割器的正确使用及过载保护系统2022-11-08








